| Manufacturer: | Scratch |
Model Rocket Launch Controller
Description:
Most commercial rocket controllers available to buy are either expensive or do not have many features. After a lot of searching I found nothing that met my needs. I wanted a controller that could work multiple pads, as well as being easy to set up and pack away, so I designed my own. It has the ability to control up to 8 pads through a 6 core cable. You may want to be able to disconnect all your units. I used 6 pin DIN plugs so that all the units can be disconnected and easily transported. I wont go into details of how this works yet, although it is very useful as this type of cable is used in alarm systems and can be purchased cheaply. Each pad unit has a two sockets for signal input and output, with the input to the first pad unit coming from the controller. Any other units are then daisy chained to the first pad box. The controller also has a built in launch countdown controller, although this does have a bypass switch to use the controller in normal mode. On my controller I also added an accessory socket so that a large display can be connected to display the countdown sequence, although this is not included on the schematic to simplify the circuit. The main controller can also contain a rechargeable battery, although this does not have to be included. Not all features of my controller are shown on the circuit diagram, although you can easily add your own to suit your needs. Below are a few pictures of the controller unit:


Notes:
Eight LED's are used to indicate the pad currently selected. These LED's are connected to a decade counter, which sequences the LED's when it receives a clock pulse.Only one LED can be lit at a time from the decade counter, so although this circuit contains many LED's only a small drain us placed on the battery. The clock pulse for the decade counter is generated by a 555 timer. Although wired as an astable circuit, the 555 timer also has a push switch attached between pins 2 and 6. The pad selected will change each time the switch is pressed, although if the switch is held down the LED's will quickly sequence, allowing you to change which pad unit you are using much quicker. The speed of this clock pulse can be changed by varying the 1K resistors on the 555 timer. Clock on the pad selecting decade counter is also connected to one of pins the output connector. This means that every time the counter in the controller advances, the counter in each pad unit does the same. That way you can have each pad unit wired to a certain output of the counter, and it will only listen to its correct signal. The countdown timer also works in a similar way although without the switch to advance the counter. On the countdown circuit the enable input of the counter is connected to output 7, making the sequence stop when it reaches the last LED. Output 7 is also wired to the launch line to fire the rocket when the count finishes. The launch select switch will either power the countdown circuit or the give power to the launch line directly when the launch switch is pressed, depending upon its position. LED's are used to indicate launch, continuity and armed. Each pad will give a continuity output, although only when that pad is selected. Therefore, only one continuity LED is necessary. Depending on the components used it is possible to obtain a continuity current of below 5mA, suitable for most ignitors. A reset output is also given to ensure all counters are in sync with each other, although every time a pad unit is pugged in the whole unit should be turned off and then back on. This ensures all the counters are working together, as if they were out of sync the incorrect rocket may be launched. The block diagram below does not show all the features of the controller although does give a brief outline of how the whole unit goes together:

Below is the circuit diagram for the main controller:
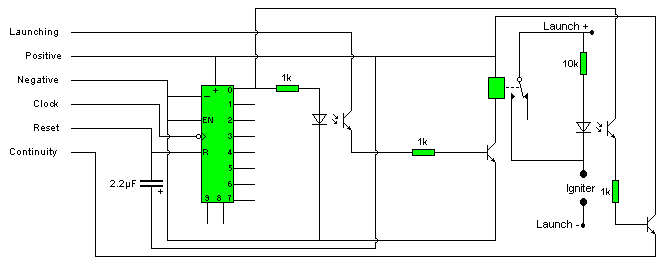
The circuit diagarm for the pad unit is very simple. Six input lines receive the signals from the main controller. I don't think I need to explain this part of the circuit in detail, although I will mention a few things. Firstly make sure that the relay you choose can handle the current from your battery launching the ignitor. Don't think that just because you only have a 1Ah battery that is the most current that will ever flow. A 1A battery will be able to source a current much higher than one amp, although only for a short period of time. Secondly please take note that launch + and launch - is the power from a seperate lead acid or other type of battery to launch the rocket. You can't use the same battery as the one powering the main controller unit, as when the ignitor is fired the battery is shorted. This would then turn off the controller unit and then subsequently turn off the pad unit you are trying to launch with. Also, each pad unit should have a different address. To change this just connect it to a different output of the decade counter. For example, for pad unit 3 any wires connected to output 0 on the decade counter in the pad unit circuit would be connected to output 2 instead.
You will need to construct this circuit on veroboard or some other form of stripboard. As usual, all IC's should be placed into holders to prevent any damage when soldering. The pinouts shown on the schematic for the NE555 timer are correct, although the pinouts for the 4017B decade counter are shown below:

Not all pins on the decade counter are used. All pins on the circuit diagram correspond to the pinout diagram above. Finally I have included a charger circuit. I seperated this from the circuit diagram as it is only optional, and the circuit diagram is shown below:

The square block is a voltage regulator, the LM317T. This should be mounted on a suitable heatsink to make sure it doesn't overheat. Then again, as the above charger is only low current a heatsink may not be necessary. Use your own judgement and decide whether or not you will need a heatsink. The switch shown is to turn the charger on and off. For the charging input just use some form of DC adaptor. Here is a pinout diagram of the LM317T voltage regulator:

I only recommend building this circuit if you have experience with electronics, as it is fairly complexed for beginners. This circuit is correct to the best of my knowledge, although it is always best to breadboard any circuit before making it. The use of different components such as optoisolators may result in the circuit operating differently, and you may find a few changes need to be made to get the circuit working perfectly.
Final EMRR Submission Notes:
As mentioned on the description, it might take a bit of tinkering to get everything working smoothly as things vary with the exact parts you use, for example the OptoIsolators, although both I and a friend have managed to construct this system and have it fully working using the schematics provided.
Sponsored Ads
![]() |
![]() |